Los sistemas Scottoiler son UNIVERSALES: son compatible con TODAS las motos, no hay un kit específico para cada modelo.
Scottoiler KnowledgBase - Guías de Instalación facilitadas por Scottoiler (UK) Ltd
Si algunas de estas fotos no se corresponde con su moto, póngase en contacto con nosotros.
IMPORTANTE: Algunas fotos pueden mostrar el inyector instalado de esta manera 
Desde 2012 los kits no incluyen los soportes ni el manguito largo (tenía una barra de metal dentro).

Desde 2012 los kits no incluyen los soportes ni el manguito largo (tenía una barra de metal dentro).
| Polaris Sportsman 600 & 700 Quad | |
![]() |
|
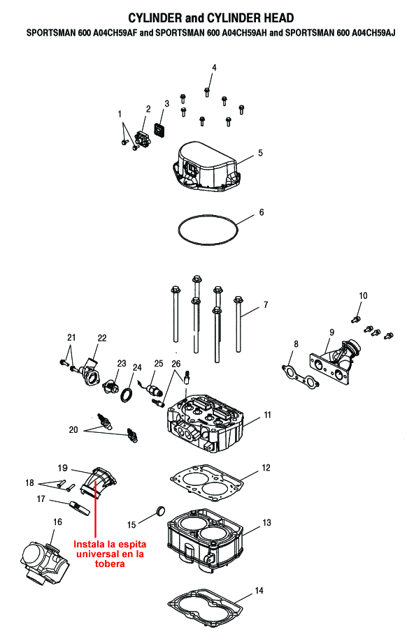
La conexión al vacío: la espita universal ![]() pincha para ampliar la imagen |
pincha para ampliar la imagen |

