Los sistemas Scottoiler son UNIVERSALES: son compatible con TODAS las motos, no hay un kit específico para cada modelo.
Scottoiler KnowledgBase - Guías de Instalación facilitadas por Scottoiler (UK) Ltd
Si algunas de estas fotos no se corresponde con su moto, póngase en contacto con nosotros.
IMPORTANTE: Algunas fotos pueden mostrar el inyector instalado de esta manera 
Desde 2012 los kits no incluyen los soportes ni el manguito largo (tenía una barra de metal dentro).

Desde 2012 los kits no incluyen los soportes ni el manguito largo (tenía una barra de metal dentro).
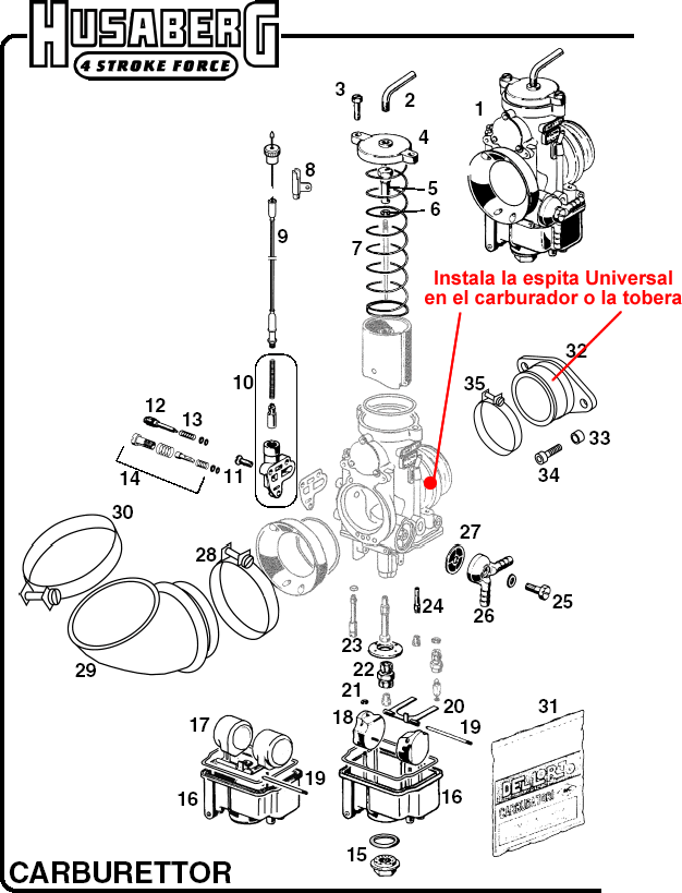
Husaberg
Los motores de un cilindro/cuatro tiempos no disponen de una toma de depresión. Necesitarás realizar un orificio en la tobera como se muestra en el dibujo y las fotos de otros motores similares.
![]() |
![]() Honda XR600 |
![]() KTM 660 |
|

 PART 8.jpg)
